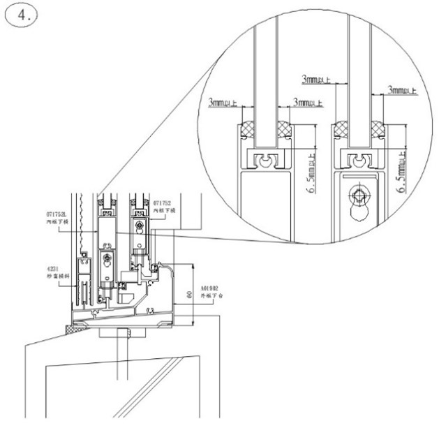
- 玻璃安裝崁入深度依據CNS 3092, A 2044規定,須達6.5mm以上深度
- 玻璃與玻璃溝槽間隔的固定寬度須達3mm以上。
- 16mm玻璃溝槽內框在安裝5~6mm玻璃時可選用玻璃膠條或矽利康兩種方式固定(但目前大都使已用矽利康)。
- 16mm玻璃溝槽內框在安裝8mm以上玻璃時一定使用矽利康來固定玻璃。
- 目前市場上因對隔音及水氣密的要求越來越高已大都使用矽利康固定。
- 玻璃膠條之設計為舊式安裝玻璃之方式,如依據CNS之深度及寬度的規定來說是較不足的,所以如對水密氣密之要求較高時不建議使用。
- 使用玻璃膠條為舊式的固定方式,常會因玻璃膠條在側風壓大時容易造成脫離內框溝槽,而產生水氣密效果失效的狀況。
- 玻璃膠條使用年限較短,因會受到外在天候因素而產生老化的影響而降低隔音及水密品質。
- 玻璃安裝使用矽利康固定會比膠條的隔音水氣密效果來的佳。
- 使用矽利康固定玻璃時依據CNS規定玻璃內外側均建議至少3mm以上寬度及6.5mm以上深度來做為玻璃與鋁料結合面可有效達到客戶需求之隔音及水氣密效果。
- 施打面量測依據內框內表邊緣至玻璃之間距作為量測標準。
- 標準的矽利康施打可有效增強窗戶的玻璃壽命及隔音水密效果。


